新疆维吾尔自治区发展和改革委员会
政府信息公开
政府信息公开指南
政府信息公开制度
法定主动公开内容
政府信息公开年报
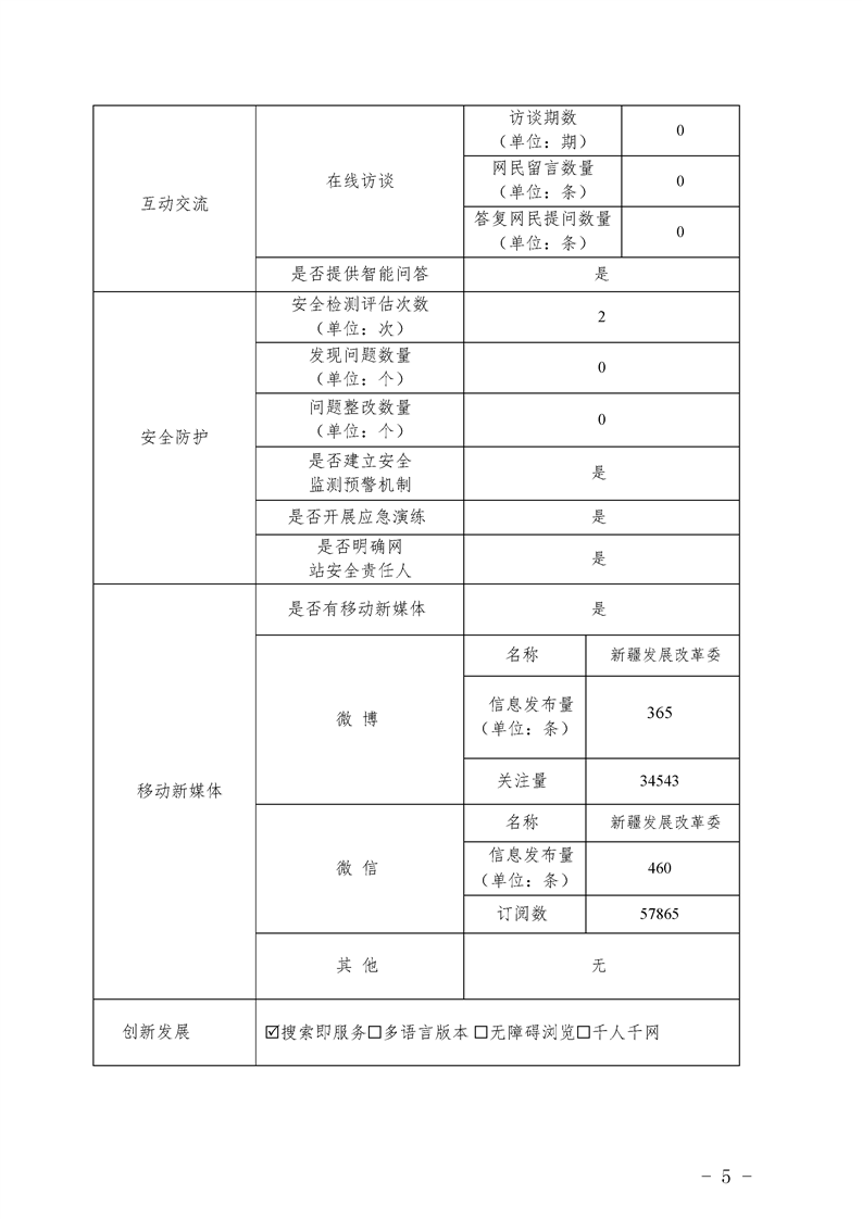
政府网站年度报表
依申请公开
索引号:
010183277/2026-00004
发文字号:
发布机构:
成文日期:
主题分类:
有
效
性:
标
题:
新疆维吾尔自治区发展改革委2025年政府网站工作年度报表
内容概述:
新疆维吾尔自治区发展改革委2025年政府网站工作年度报表
发布时间:2026-01-14 13:01 浏览次数:
【字体:
大
中
小
】
附件下载:
(此件于重新编辑)
相关链接:
政府信息公开